Es soll eine analoge Spannung auf Port B erzeugt werden, der einem Zahlenwert entspricht, welcher dem AVR über den UART zugeführt wird.
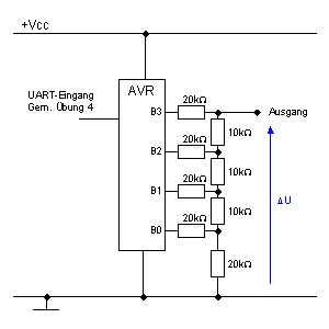
Der auszugebende Wert soll auf dem PC in einem Terminalprogramm (z.B. HyperTerminal) eingegeben werden als hexadezimale Ziffer '0' bis 'F'. Damit können also 16 Stufen ausgegeben werden. Wir benötigen also eine 4-Bit Wandlung. Der entsprechende Schaltplan sieht wie folgt aus:

Wird eine der gewünschten Ziffern auf dem UART empfangen, so soll der entsprechende Zahlenwert auf Port B ausgegeben werden.
| Hinweis | Die maximale Spannung, die am Ausgang erzeugt werden kann ist etwas kleiner als Vcc. |
Versuche das Programm möglichst kompakt zu schreiben. Hier ist die Musterlösung mit entsprechendem Makefile.
Versuche, über das Terminalprogramm eine Textdatei an den AVR zu senden, um eine Sägezahnspannung oder eine Dreieckspannung am Ausgang zu erzeugen. In HyperTerminal kann dazu die Funktion Übertragung->Textdatei senden verwendet werden.
|
|